Detail Information
Place of Origin:
CHINA
Document:
N/A
Features:
High Infrared Responsiveness, Repeatability And Reliability
Product Name:
Gas Sensor
Material:
Aluminum
Operating Temperature:
-20~100℃
Application:
HVAC, AQMS, Air Cleaner
Color:
Silver
Packaging Details:
carton packing
Description
Repeatable NDIR CO2 Gas Sensor
Product Overview
The LT-SS-G3AD-CO2 is a high-precision NDIR CO2 gas sensor featuring aluminum housing and advanced infrared technology for reliable performance in demanding environments.
Key Features
- Aluminum housing for durability
- High infrared response rate
- Wide operating temperature range (-20℃ to +100℃)
- Excellent repeatability and reliability
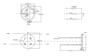
- TO-39 Twin window metal shell package
- Compliance with CE, RoHS, and REACH standards
- 1-year warranty
Specifications
| Item | Unites | G3 | Condition |
| Chip Size | mm | 1.8*1.8 | |
| Sensitive Area | mm | 1.4*1.4 | |
| Field | – | 108° | |
| Resistance | kΩ | 72±8 | |
| Temperature Coefficient Of Resistance | %/℃ | 0.11 | |
| Noise Figure | nV/Hz1/2 | 34±2 | |
| Noise Equivalent Power | nV/Hz1/2 | 0.43 | |
| Response Ratio | V/W | 78 | |
| Time Constant | ms | 25 | |
| Detectivity | cm*Hz1/2/W | 1.6E08 | |
| Thermistor Value | kΩ | 100±1% | |
| Thermistor Beta Value | K | 3950±1% | |
| Operating Temperature | ℃ | -20~+100 | |
| Storage Temperature | ℃ | -40~+125 |
Package Dimension (Unit:mm)

