Detail Information
Place of Origin:
CHINA
Features:
High Infrared Responsiveness, Repeatability And Reliability
Product Name:
Gas Sensor
Material:
Aluminum
Operating Temperature:
-20~100℃
Application:
Gas Safety
Color:
Silver
Packaging Details:
carton packing
Description
NDIR CH4(5 feet-3.4μm) Gas Sensor With High Infrared Response Rate
Product Overview
The LT-SS-G3AD-CH4(5 feet-3.4μm) is a high-precision gas sensor featuring a 108° viewing angle, high sensitivity, and excellent stability. Designed for demanding industrial applications, it operates reliably in temperatures ranging from -20℃ to +100℃.
Key Features
- Application Environment: Gas safety
- High InfraredResponse
- High Repeatability
- High Reliability (Hi-Rel)
- NDIR CH4
- TO-39 Double Window Metal Tube Shell Package
- RoHS, REACH Compliant
Specifications
| Item | Unites | G3 | Condition |
| Chip Size | mm | 1.8*1.8 | |
| Sensitive Area | mm | 1.4*1.4 | |
| Field | – | 108° | |
| Resistance | kΩ | 72±15 | |
| Temperature Coefficient Of Resistance | %/℃ | 0.11 | |
| Noise Figure | nV/Hz1/2 | 34±2 | |
| Noise Equivalent Power | nV/Hz1/2 | 0.43 | |
| Response Ratio | V/W | 78 | |
| Time Constant | ms | 25 | |
| Detectivity | cm*Hz1/2/W | 1.6E08 | |
| Thermistor Value | kΩ | 100±1% | |
| Thermistor Beta Value | K | 3950±1% | |
| Operating Temperature | ℃ | -20~+100 | |
| Storage Temperature | ℃ | -40~+125 |
For custom specifications, please contact our technical team directly.
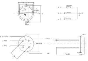
Outline Drawing:

