Detail Information
Place of Origin:
CHINA
Document:
N/A
Features:
High Rejection
Product Name:
LT-SF Series RF SAW Filter
Application:
Wireless Communication
Material:
Aluminum
Temperature:
-40~85℃
Frequency Range:
450 To 500 MHz
Color:
Silver
Low Insertion Loss:
3.0 DB
Packaging Details:
carton packing
Highlight:
saw filter digikey, 475 MHz Bandpass Filter, SAW Filter 475MHz
Description
475MHz LT-SF series Band Pass Filter
Quick Detail:
- Aluminum housing
- CustomizableFrequency
- -40℃~+85℃ operating temperature
- Surface Mount
- Small Size
- Low cost
- CE, RoHS, REACH compliant
- 1 Year Warranty
Description:
The LT-SF-475M-50M-5050 from ZR is a Band Pass Filter with Frequency 450 to 500 MHz, Bandwidth 50 MHz, Center Frequency 475 MHz, Insertion Loss 3.0 dB, Rejection 45 dB. Tags: Surface Mount, RF SAW Filter. This filter is widely used in various Wireless Communication.More details for LT-SF-475M-50M-5050 can be seen below.
Specifications
Electrical / Optical Characteristics (Ta=25℃±3℃)
| Items | Specification | Conditions |
| Part Number | LT-SF-475M-50M-5050 | |
| Center Frequency | 475MHz | |
| Insertion Loss(Min.) | 3.0dB Max. | |
| Ripple in Bandwidth(450.00-500.00 MHz) | 1.0dB Max. | |
| 1 dB Bandwidth | 50.0dB Min. | |
| Attenuation | 45dB Min.@100-360.00 MHz | |
| 45dB Min.@650.00-3000.00MHz | ||
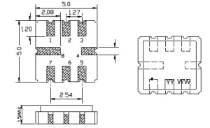
| Dimension | 5x5x1.5mm | |
| Note: for custom specs, please contact us directly. | ||
Outline Drawing (Unit: mm):

| Pin | Function |
| 2 | Input |
| 6 | Output |
| 1,3,4,5,7,8 | GND |
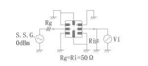
Test circuit:

