Detail Information
Place of Origin:
CHINA
Document:
Product Name:
LT-PA Series Power Amplifier
Application:
Wireless Communication
Global Compliance:
CE, RoHS, And REACH
Temperature Range:
-40~85℃
Frequency Range:
2 To 6 GHz
Power Output:
23dBm
Packaging Details:
carton packing
Description
2-6 GHz 23 dBm RF Amplifier Broadband Performance Reliability 14 dB Small Signal Gain
Product Overview
The ZR LT-PA-020060-G14P23 is a high-performance RF power amplifier featuring 14dB gain (±1.0dB flatness) across 2-6GHz, with 23dBm output power capability. Designed for demanding RF applications, this amplifier combines power efficiency with exceptional signal fidelity.
Key Features
- Broadband Performance (2-6GHz): Optimized for multi-band applications
- High Power Output (23dBm): Delivers robust signal amplification
- Precision Gain (14dB): ±1.0dB flatness ensures signal integrity
- Rugged Aluminum Enclosure: Provides superior EMI protection
- Wide Temperature Range (-40℃~+85℃): Reliable operation in extreme conditions
- Custom Frequency Options: Tailored to specific system requirements
- Global Compliance: CE, RoHS, and REACH certified
- Quality Assurance: Backed by 1-year warranty
Specifications
| Attribute | Value | Conditions |
|---|---|---|
| Part Number | LT-PA-020060-G14P23 | |
| Configuration | Module with Connector | |
| Frequency Range | 2 to 6 GHz | |
| Small Signal Gain | 14 dB | |
| Gain Flatness | ±1.0 dB | |
| Output Power | 23 dBm | |
| Input Power | 15 dBm | |
| VSWR | 2.0:1 | |
| Power Supply | +12V / 150mA | |
| Operating Temperature | -40 to +85 ℃ | |
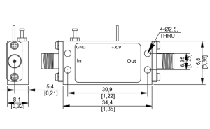
| Dimension | 34.4*16.8*8.1 mm |
Outline Drawing (Unit: mm):

